產品名稱:
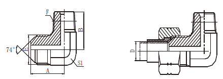
美制JIC外螺紋/英錐管外螺紋 90°彎接頭
產品系列搜索
請選擇您想要尋找的相關產品系列
產品描述

| 訂貨號 | 螺 紋 | 尺 寸 | |||||
| E | F | A | B | S1 | |||
| AJ4-02/9 | 5/16"X24 | R1/8"X28 | 20.5 | 21 | 11 | ||
| AJ4-04-02/9 | 7/16"X20 | R1/8"X28 | 24.5 | 21 | 11 | ||
| AJ4-04/9 | 7/16"X20 | R1/4"X19 | 26.6 | 25.5 | 14 | ||
| AJ4-04-06/9 | 7/16"X20 | R3/8"X19 | 27.5 | 28 | 16 | ||
| AJ4-06-04/9 | 9/16"X18 | R1/4"X19 | 26.9 | 25.5 | 14 | ||
| AJ4-06/9 | 9/16"X18 | R3/8"X19 | 28.5 | 28.5 | 16 | ||
| AJ4-06-08/9 | 9/16"X18 | R1/2"X14 | 32 | 36 | 22 | ||
| AJ4-08-06/9 | 3/4"X16 | R3/8"X19 | 32 | 30.5 | 19 | ||
| AJ4-08/9 | 3/4"X16 | R1/2"X14 | 34.8 | 36 | 22 | ||
| AJ4-08-12/9 | 3/4"X16 | R3/4"X14 | 37.9 | 43.5 | 27 | ||
| AJ4-10-06/9 | 7/8"X14 | R3/8"X19 | 38 | 32 | 22 | ||
| AJ4-10-08/9 | 7/8"X14 | R1/2"X14 | 37.8 | 36 | 22 | ||
| AJ4-12-08/9 | 1.1/16"X12 | R1/2"X14 | 44.2 | 40 | 27 | ||
| AJ4-12/9 | 1.1/16"X12 | R3/4"X14 | 44.2 | 43.5 | 27 | ||
| AJ4-12-16/9 | 1.1/16"X12 | R1"X11 | 47.8 | 50 | 33 | ||
| AJ4-16-12/9 | 1.5/16"X12 | R3/4"X14 | 49 | 47.5 | 33 | ||
| AJ4-16/9 | 1.5/16"X12 | R1"X11 | 49 | 50 | 33 | ||
| AJ4-20-16/9 | 1.5/8"X12 | R1"X11 | 55.5 | 56.5 | 41 | ||
| AJ4-20/9 | 1.5/8"X12 | R1.1/4"X11 | 55.5 | 56.5 | 41 | ||
| AJ4-24-20/9 | 1.7/8"X12 | R1.1/4"X11 | 62.5 | 61 | 48 | ||
| AJ4-24/9 | 1.7/8"X12 | R1.1/2"X11 | 62.5 | 62.5 | 48 | ||
| AJ4-32/9 | 2.1/2"X12 | R2"X11 | 75.4 | 67 | 63 | ||
注:螺母及襯套需另行訂貨,配用螺母及襯套分別選用SJN、SJS。